EN
NEWS CENTER
新闻中心
您所在的位置:首页 > 新闻中心
市场前沿
再突破!国内单机容量最大9H级联合循环机组控制系统,广东能源“钟意”科远
发布时间:2021-12-16
访问量:8565

关键词:9H燃机丨国产控制系统NT6000丨首台套

近日,科远智慧成功中标东莞宁洲3×700MW等级燃气-蒸汽联合循环热电冷联产工程分散控制系统(DCS)。

这是继科远中标粤电花都9F级燃机项目后,再度携手广东省能源集团,成功实现国产控制系统NT6000在9H级燃机机组的首台套突破。

1639702294591525NuKi.png

东莞宁洲联合循环燃气电厂项目总动态投资为59.28亿元,计划建设3台GE公司9HA.02重型燃气轮机,为目前国内单机容量最大的燃气项目,其联合循环净效率理论上可达64.1%,将打破2016年投产的法国电力公司布尚电厂9H01联合循环机组创下的吉尼斯世界纪录。该项目是广东省重点建设项目和东莞市重大项目之一,为广东省调整优化能源结构,促进节能减排和资源综合利用,促进粤港澳大湾区高质量发展提供重要支撑。

科远智慧NT6000智能控制系统:重型燃机控制系统领跑者

2016年,科远智慧NT6000智能控制系统在淮安盐化工园2×475MW(9F级)重型燃气-蒸汽联合循环机组成功应用,取得国产化DCS在9F燃机的首台套突破。自此,科远智慧在联合循环机组DCS/智能化领域遥遥领先。并在国内率先研发燃机控制系统TCS,聚焦联合循环发电领域,提供专业化的产品、技术实施及解决方案。

此次与广东能源集团、广东粤电滨海湾能源有限公司、西南电力设计院和华为,携手合作东莞宁洲3×700MW等级燃气-蒸汽联合循环热电冷联产工程,是科远智慧在重型燃机控制系统领域的又一重大突破。

高效:NT6000 现场总线控制系统

本项目全厂DCS均采用科远智慧NT6000智能控制系统,同时配置全厂现场总线控制系统。

● NT6000智能控制系统现场总线方案能够降低系统投资,提高传输精度;能够传输诊断数据,提高现场设备的集成化和智能化,为数字化电厂实施奠定良好基础。

● 系统集成了现场总线设备管理软件SyncAMS,可以对现场总线上所连接的变送器、执行机构等设备进行控制管理,大大增加了系统运行的可靠性、安全性。

1639702350226640NBRi.jpg

智慧:ICS智能控制系统

项目融入了ICS智能控制系统,在原有DCS系统基础上,充分融合智能感知、大数据分析、先进控制等技术,增加智能报警、故障预判及机组优化指导等高级应用。

1639702411515619t9sD.png

实现对生产数据的深度挖掘、分析,及时全面掌控机组运行情况,提高系统的监控性能、降低设备的故障率,保障机组运行效率,为实现燃气机组“智能监盘、少人值守”奠定坚实的基础。

1639702430361232FSL0.png

便捷:自动启停APS

自动启停控制系统(APS)是衡量发电厂自动化水平的重要指标。燃气-蒸汽联合循环发电机组具有高效环保的特点,其快速启停能力,对于电网和天然气管网的调峰方面具有突出的优势。本项目同时配置了APS,可以最大程度的缩短机组的启停时间,及时响应电网或天然气管网的负荷调度。

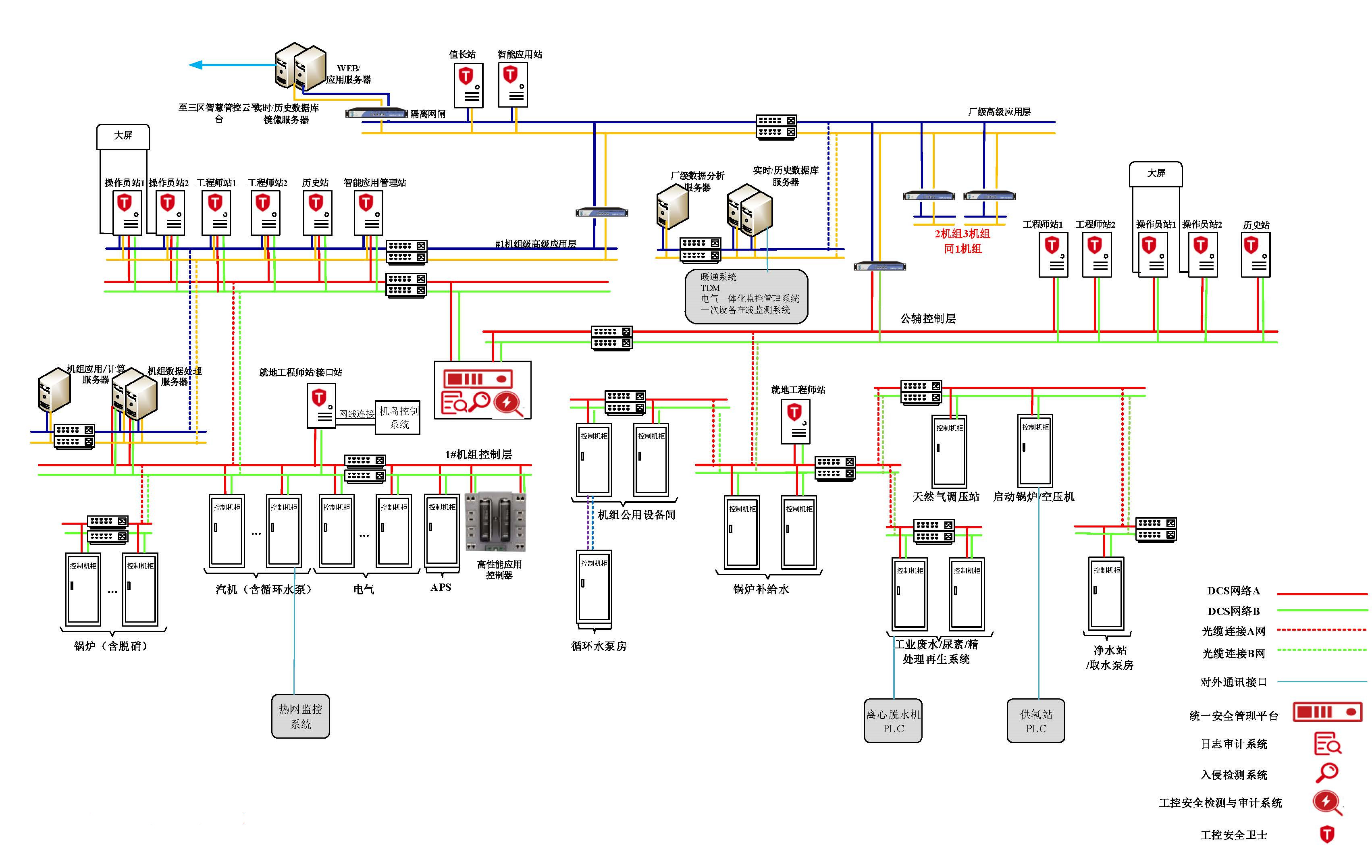
安全—网络安全防护功能:

电力安全可靠供应事关经济发展、人民生活和社会稳定,保障电力系统安全是国家安全的重要组成部分。

16397024491481759b2G.png

科远智慧NT6000智能控制系统增添了网络安全防护功能,防止网络黑客攻击,满足工业等保2.0要求,本项目遵循了合规性、深度防御、集中管理、适度防护、动态调整、自主可控原则,能够确保机组安全、高效运行。

再度携手,再创标杆!

科远智慧将携手广东省能源集团,通过先进的控制系统技术、完整的机理分析和数据分析技术,将东莞宁洲联合循环燃气电厂打造为高效率、高可靠性和高可用率的燃气-蒸汽联合循环机组典范,为推动能源行业稳健发展,助力国家能源安全战略贡献更大力量,为广东能源集团高质量发展开启里程碑意义的新篇章!

©2025 南京科远智慧科技集团股份有限公司 苏ICP备07026162号-1 苏公网安备 32011502010713号
法律声明 隐私保护 联系我们
员工入口

ERP 企业邮箱

025-6859 8968