EN
NEWS CENTER
新闻中心
您所在的位置:首页 > 新闻中心
技术交流
工业编程“国产神器”来袭!CalWorks基于IEC61131-3标准打造智造新内核
发布时间:2025-06-17
访问量:1882

近年来,电力、冶金、化工、水利等重点领域对PLC国产化替代要求日益强烈,国产化PLC正在突破“卡脖子”瓶颈、构建自主可控产业生态的战略进程中发挥重要作用。作为工控国产化领域的弄潮先锋,科远在推出系列100%国产化PLC产品的同时,基于IEC61131-3标准自主研发推出配套CalWorks可编程系统,为国产化可编程控制器提供Runtime和IDE。

1750208115436871V6uG.png

CalWorks可编程系统支持IEC61131-3国际标准定义的五种工业控制器编程语言以及各种编程特性,可方便实现多样化的编程需求,并结合科远多年的工程应用经验,对编程效率提升、用户知识产权保护、工程化管理等方面进行了重点设计,真正实现编程语言开放性和控制系统安全性的结合,帮助企业用户将嵌入式系统或PC变成符合IEC61131-3国际标准的、功能强大的可编程控制器。

CalWorks可编程系统:N+功能让编程效率更UP

1750208135987709OHXd.png

CalWorks可编程系统集成开发环境(IDE)、编译器、运行时(Runtime)均由科远完全自主研发,源代码掌握程度100%自主可控,系统具有自主实现IEC语法分析、自研编译器及PLC指令集翻译、自主设计的通讯协议等关键技术,可为企业用户提供自主可控且标准化程度高、易用性好的工业编程功能及体验。

友好的界面风格

1750208155911422MZVr.png

在界面及交互上沿用Windows设计风格,包括标准的菜单、快捷键、工具栏、鼠标双击、变量替换等,让操作更符合工程师的长期使用习惯,降低软件上手门槛和时间,提高组态效率。

跨平台兼容性

1750208175912340GXuB.png

具备出色的跨平台特性,支持Windows、Linux系统部署,既能适配单任务PLC,也能支持大型冗余多任务系统,可满足工业现场应用层的多场景部署需求。

C/C++高级语言扩展

1750208197736962TquV.gif

支持C/C++代码静态集成到runtime中,可通过IEC61131-3语言调用高级语言程序。

丰富的数据类型

1750208223222068nu64.gif

在支持IEC61131-3标准数据类型的同时,用户还可自定义结构体、数组、功能块等数据类型,并支持任意嵌套,以及扩展数据类型指针,可指向任何数据类型。

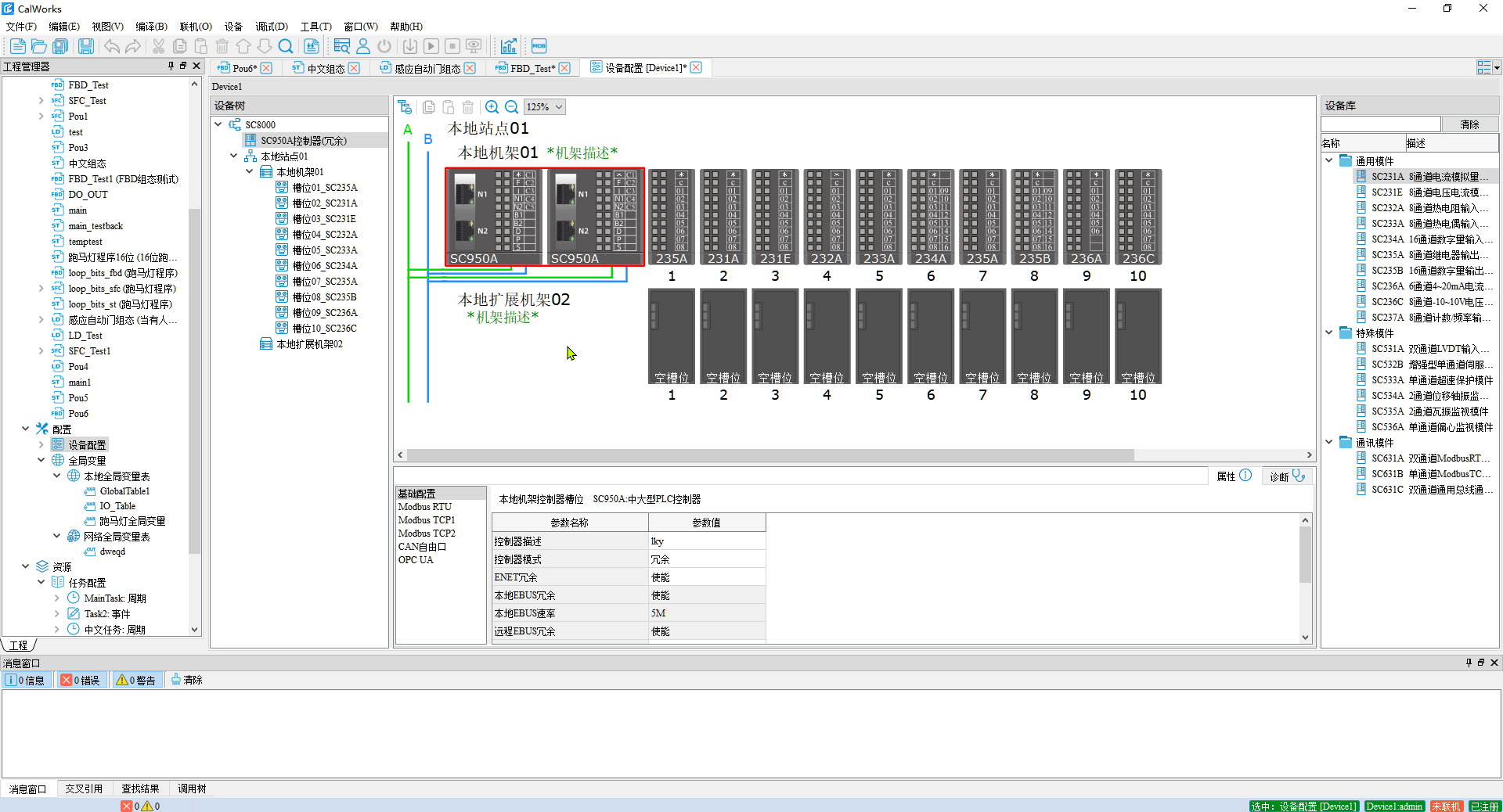
图形化配置

1750208237719311Y4hi.gif

采用树形结构和导轨视图结合的方式,可直观展现硬件组态情况,支持拖动式放置和模块级参数复制。

中文友好编程环境

1750208253661939PtxS.gif

全面支持中文编程,POU、变量名、变量描述、程序注释均可使用中文字符,同时支持软件语言切换选择,大幅提高国内工程师的编程效率和代码可维护性。

高效断点调试能力

1750208264701892nu0G.gif

提供多任务断点调试功能,支持单步、步入、步出等操作,方便快速定位程序问题,调试时可根据颜色区分各功能块的执行情况,也可直接在图形区域写入和强制变量值,显著提升调试效率。

虚实结合的调试体系

17502082764060151jwu.gif

内置仿真引擎,支持控制系统离线仿真测试与在线热调试,通过OPCUA、Modbus等协议实现与实体设备的无缝对接,有效降低现场调试风险。

无扰更新技术

17502082871543699OIF.png

采用无扰下载技术,仅对修改位置的程序逻辑和变量进行更新,设备无需停止即可完成程序升级,保障生产连续性。

多重安全防护

1750208298762012WwUu.png

提供多级权限管理,支持分级可配置的用户权限控制,实现编程语言开放性和控制系统安全性的完美结合。

有效的诊断工具

1750208310358537sZXf.gif

提供全面的应用程序诊断功能,编译窗口清晰显示所有系统和应用程序故障,交叉引用、调用树分析变量、模块的引用关系,双击即可定位程序,方便修改。

灵活的编译配置

1750208324440838ch3b.gif

提供个性化的编译配置界面,为设备长期可靠运行保驾护航,包括数组越界检查、死循环检查、地址绑定冲突检查、指针越界检查等。

双向嵌套机制

1750208335646516OpqZ.gif

LD、FBD、SFC编程语言可嵌入ST 语言块,实现算法逻辑与控制逻辑的嵌套融合。

1750208346617125tbEW.png

CalWorks可编程系统还支持自定义用户库、变量名批量替换、POU分组、重构功能等更多功能。

目前,CalWorks可编程系统已广泛应用于电力、建材、冶金等重点行业与领域,助力企业突破工业可编程软件系统“卡脖子”难题。未来, CalWorks可编程系统将不断深耕自主可控技术研究、成本与服务优化及行业应用推广,为构建自主可控产业生态,赋能智造强国持续贡献科远力量。

©2025 南京科远智慧科技集团股份有限公司 苏ICP备07026162号-1 苏公网安备 32011502010713号
法律声明 隐私保护 联系我们
员工入口

ERP 企业邮箱

025-6859 8968